首頁
産品設備
炭化設備
連續式炭化爐
煉油設備
全連續煉油設備
間歇式煉油設備
紙漿模塑設備
紙漿模塑餐盤機
蛋托機
解決方案
制炭
園林及木材加工廢棄物處理
木屑碳化爐
竹屑炭化爐
桉樹皮碳化爐
生物質顆粒碳化設備
麻杆炭化爐
杉木炭化爐
農業種植廢棄物處理
稻殼碳化設備
稭稈炭化設備
食品加工廢棄物處理
椰殼炭化
果殼炭化爐
酒糟碳化設備
甘蔗渣炭化設備
中藥渣炭化爐
新能源
電池負極材料預碳化
棕榈油加工廢棄物處理
棕榈殼炭化設備
碳彙
生物炭碳彙
能源代替
機制炭生産
活性炭
活性炭生産
金屬冶煉
工業矽冶煉木炭生産
其它
污泥碳化
煉油
工業危廢無害化處理
油泥處理
廢輪胎處理
廢舊輪胎煉油
廢塑料處理
廢塑料煉油
紙漿模塑
養殖及農業産品包裝加工
蛋托機
餐具及工包産品加工
環保紙塑餐具設備
成功案例
煉油設備案例
炭化設備案例
分選設備案例
紙漿模塑案例
新聞中心
公司新聞
行業新聞
視頻中心
車間實拍
設備工藝流程
客戶現場
公司活動
常見問題
綜合類-FAQ
炭化設備-FAQ
煉油設備-FAQ
分選設備-FAQ
紙漿模塑-FAQ
服務支持
關于我們
公司簡介
企業文化
發展曆程
企業榮譽
全球用戶
加入我們
聯系我們
聯系方式
在線留言
我要投訴
搜索
18569982039
首頁
産品設備
炭化設備
煉油設備
紙漿模塑設備
解決方案
園林及木材加工廢棄物處理
農業種植廢棄物處理
食品加工廢棄物處理
新能源
棕榈油加工廢棄物處理
碳彙
能源代替
活性炭
金屬冶煉
其它
工業危廢無害化處理
廢輪胎處理
廢塑料處理
養殖及農業産品包裝加工
餐具及工包産品加工
成功案例
煉油設備案例
炭化設備案例
分選設備案例
紙漿模塑案例
新聞中心
公司新聞
行業新聞
視頻中心
車間實拍
設備工藝流程
客戶現場
公司活動
常見問題
綜合類-FAQ
炭化設備-FAQ
煉油設備-FAQ
分選設備-FAQ
紙漿模塑-FAQ
關于我們
公司簡介
企業文化
發展曆程
企業榮譽
全球用戶
加入我們
聯系我們
聯系方式
在線留言
我要投訴
産品概述
優勢特點
生産工藝
設備參數
設備部件
項目方案
技術支持
猜你關心
相關案例
|
油泥處理
含油污泥主要來自石油工業和船舶運輸行業。在石油開采、煉油和儲存過程中産生的廢棄物,如鑽井渣、煉油渣、儲油罐清洗廢物等都可能含有油污。此外,船舶運輸行業中的油艙清潔、油船事故洩漏以及海上輸油管道爆裂等也會造成含油污泥的産生。
含油污泥屬于危險廢棄物,如不妥善處理将會對環境造成很大影響。
油泥熱解是油泥處理的主要方法之一,可以用來處理油基岩屑、鑽井岩屑、油田油泥、船舶油泥、落地油泥、煉油廠油泥、罐底油泥、地面溢油等含油污泥,油泥經過熱解後的産物爲土、裂解油、可燃氣體等。
油泥熱解設備有間歇式、連續式等工藝可選,日處理量從1-35噸有多種型号可選。
油氣回收
烴殘留含量≤3‰
電話咨詢>
産品特點與優勢
處理量0.5-30噸 多型号可選
油泥熱解設備有多種設備型号,滿足不同的處理量需求,可按需選擇
主爐材質可選
主爐材質可選
油泥熱解設備可根據處理原料的工藝環境要求,選擇Q245R、304不鏽鋼、310S不鏽鋼等不同主爐材質
安裝便捷
安裝便捷
油泥熱解設備有撬裝式結構(小型設備)、三合一模塊設計等,簡化現場安裝
多種進料方式可選
多種進料方式可選
油泥熱解設備可定制反應釜爐門尺寸和形狀,滿足直接進料、螺旋進料、液壓進料等多種進料需求,提供更多樣化、更便捷的進料方式
一體化解決方案
一體化解決方案
我們可提供油泥熱解設備-油品蒸餾-後端加工,全流程生産線設備與服務
處理量0.5-30噸 多型号可選
|
環保生産工藝
工藝動畫視頻
百特環保品牌保證
尾氣處理達标
工序流程圖
進料
熱解
出渣
油泥熱解設備參數
型号
BLJ-16
BLL-30
處理量(噸/天)
12-16
30-35
工藝方式
間歇式
連續式
原材料
廢塑料、廢舊輪胎、油泥等
主爐尺寸
直徑2.8長7.1米
直徑1.8長18.5米
主爐材質
Q345R
310S不鏽鋼
驅動系統
500減速機+7.5kw電機
ZQH650-50減速機+15kw變頻電機
結構
卧式回轉
供熱燃料
燃料油(包括輪胎/塑料裂解油)、天然氣、液化石油氣、柴油等。
燃燒器
2台*40萬大卡
每套配250萬大卡
設備功率(千瓦)
55.6
256
占地大小
33*13*8米
70*20*10米
運輸重量
約34.5噸
約150噸
工作壓力
微正壓
微負壓
噪聲(分貝)
≤60
油泥熱解處理設備部件介紹
全連續油泥熱解煉油設備
由反應釜、驅動系統、取樣器、螺旋除渣器、汽包系統、靜電除塵器、水冷出渣機、油氣冷凝系統、水冷炭黑儲存罐、螺旋進料機、稱重機、料倉等幾部分組成 ;
間歇/半連續油泥熱解煉油設備
由引風機、煙道冷凝器、排燒室、汽包和渣油罐、三合一冷凝器、出料系統、驅動系統、裂解主爐、液壓進料機構、除塵塔等幾部分組成。
相關項目方案
BLL-30全連續煉油設備+BZJ-10卧式蒸餾塔
方案日期:2023.05.05
查看詳情
BLJ-16間歇煉油設備+三合一+液壓進料
方案日期:2023.05.06
查看詳情
人工進料BLJ-6廢塑料煉油設備+催化裂解+三合一
方案日期:2023.06.06
查看詳情
查看更多>
我們的技術支持
客戶工廠設計
設備布局圖
設備基礎圖
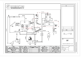
PID流程圖
電氣制圖
3D布局效果圖
安裝時間表
安裝手冊
操作手冊
維護手冊
你可能還關心
油泥熱解技術與熱洗技術什麽區别
油泥熱解技術通過高溫作用下的熱解反應,分解油污染物的化學鍵,使其轉化爲氣體、液體或固體産物。而熱洗技術則是利用清洗劑和熱能,通過溶解、乳化或蒸發等過程将油污染物從固體表面解吸或去除。油泥熱解技術處理的優點是處理的比較徹底,可以滿足千分之三的标準,不過處理量一般隻有每天幾十噸。油泥熱洗技術的特點是處理量大,一天可以處理上百噸,但是需要選擇合适的清洗劑以及避免清洗過程中産生的含油廢水或清洗劑殘留物造成環境污泥
油泥熱解産出的油是什麽油,有什麽用途
油泥熱解産出的裂解油不是汽油,也不是柴油,是一種混合組分,可以經過深加工來精煉潤滑油等産品
油泥分離設備熱解技術應用與特點
油泥通常包含油、水和固體顆粒,其來源廣泛,如石油開采、煉油廠廢棄物、船舶和車輛維修過程中産生的廢油以及工業生産中的各種油基廢料等。傳統的油泥分離設備往往成本高昂且效...
[查看詳細]
油泥危廢處理多少一噸 油泥處理需要什麽資質
油泥危廢處理多少一噸呢?2016年發布的《國家危險廢物名錄》将廢礦物油與含礦物油廢物(HW08)納入危險廢物名單,嚴格監管油田石化等行業産生油泥處置。危廢處理需要具備相關資質...
[查看詳細]
油泥熱解設備廠家如何選擇 來看下北工油泥處理設備優勢
含油污泥是原油或成品油混入泥土或其他介質, 其中的油份不能直接回收而可能造成污染的多種形态的混合物,是石油化工工業的主要污染物之一。油泥的處理方法有很多,油泥熱解處理...
[查看詳細]
BLJ-16型号利比亞油泥熱解設備
這個項目在利比亞,使用的是BLJ-16型号的油泥熱解設備,每天可以處理15噸左右的含油污泥。 ...
[查看詳細]
油泥屬于危廢嗎 現在處理一噸油泥什麽價格
油泥屬于危廢嗎 現在處理一噸油泥什麽價格油泥一般指的是油田開采油泥、罐底油泥等,含油污泥不是自然界固有存在的,而是由于油田開采、石油煉制過程、運輸、使用、貯存等各種...
[查看詳細]
相關案例
多米尼加16噸廢舊輪胎煉油現場
安裝年份:2018 處理量:15噸左右/天
查看詳情
印度10噸廢塑料煉油設備項目
安裝年份:2022 處理量:10噸/天
查看詳情
加拿大10噸廢塑料煉油設備
安裝年份:2021 處理量:10噸/天
查看詳情
查看更多>
爲什麽選擇我們
生産工序機械化程度高、質量穩定可靠
通過多項資質認證,品牌企業值得信賴
重視技術研發、創新賦能用戶
市場覆蓋海内外、設備符合多國标準
百特環保(BESTON),期待與您的合作!
百特環保(BESTON),
期待與您的合作!
聯系我們>
關于我們
公司簡介
企業文化
發展曆程
企業榮譽
全球用戶
加入我們
産品設備
炭化設備
煉油設備
紙漿模塑設備
解決方案
園林及木材加工廢棄物處理
農業種植廢棄物處理
工業危廢無害化處理
廢輪胎處理
養殖及農業産品包裝加工
餐具及工包産品加工
成功案例
煉油設備案例
炭化設備案例
分選設備案例
紙漿模塑案例
新聞中心
公司新聞
行業新聞
視頻中心
車間實拍
設備工藝流程
客戶現場
公司活動
常見問題
綜合類-FAQ
炭化設備-FAQ
煉油設備-FAQ
分選設備-FAQ
紙漿模塑-FAQ
聯系電話:
18569982039(可點擊撥打)
公司地址:
河南省鄭州市二七區漓江路中國中部電子商務港A座
工廠地址:
河南省焦作市修武縣經濟技術開發區武源路18号
公司郵箱:
support@bestongroup.com
|法律聲明 | 隐私條款 | 版權所有 河南國立百特環保科技有限公司|
京ICP證000000号